
手牌GCT-MK型手推,手链单轨小车特点:
1双挂梁设计;
2、负载合理、运行稳定。
手牌GCT-MK型手推,手链单轨小车介绍:
单轨行车是一种结构简单、操作方便、轻小型调运配套起重机械,它可以与手拉葫芦、环链电动葫芦等起重产品配套组成起重运输小车,自如地运行于可以有一定曲率半径的工字钢轨道的下翼缘上,用来调运货物、设备等。

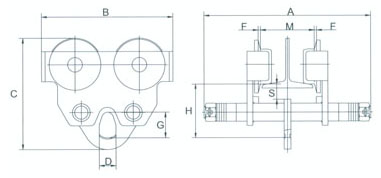
型 号 | GCT- | GCT- | GCT- | GCT- | GCT- | GCT- | GCT- | GCT- | GCT- | GCT- | GCT- | ||
额定起重量(t) | 0.5 | 1 | 1.5 | 2 | 3 | 5 | 8 | 10 | 16 | 20 | 30 | ||
试验载荷(KN) | 7.35 | 14.71 | 22.06 | 29.42 | 44.13 | 61.29 | 98.06 | 122.58 | 196.12 | 245.17 | 367.74 | ||
能通过最小弯道半径(m) | 0.8 | 1.0 | 1.0 | 1.1 | 1.3 | 1.4 | 2.0 | 2.0 | 3.5 | 3.5 | 6.0 | ||
外形尺寸(mm) | A | a | 236 | 303 | 310 | 317 | 333 | 355 | 372 | 378 | 449 | 449 | - |
b | 286 | 405 | 412 | 419 | 435 | 457 | 474 | 480 | 551 | 551 | 610 | ||
B | 194 | 236 | 250 | 268 | 322 | 362 | 426 | 442 | 555 | 555 | 710 | ||
C | 176 | 196 | 210 | 226 | 266 | 301 | 388 | 396 | 498 | 498 | 608 | ||
H | 75 | 96 | 102 | 109 | 124 | 142 | 185 | 190 | 236 | 233 | 285 | ||
S | 30 | 38 | 38 | 38 | 40 | 42 | 45 | 45 | 65 | 58 | 65 | ||
D | 28 | 32 | 36 | 42 | 52 | 62 | 72 | 72 | 95 | 95 | 105 | ||
G | 32 | 40 | 45 | 52 | 63 | 74 | 110 | 110 | 135 | 135 | 155 | ||
F | 1.5~3 | 2-3.5 | |||||||||||
轨道宽度范围 | M | a | 50-152 | 64-203 | 74-203 | 88-203 | 100-203 | 114-203 | 124-203 | 124-203 | 136-203 | 136-203 | - |
b | 50-203 | 64-305 | 74-305 | 88-305 | 100-305 | 114-305 | 124-305 | 124-305 | 136-305 | 136-305 | 175-305 | ||
净重(kg) | a | 6 | 11.5 | 14 | 18 | 30 | 44 | 73 | 82 | 157 | 159 | - | |
b | 6.5 | 13 | 16 | 20 | 34 | 50 | 79 | 89 | 164 | 167 | 325 | ||
